政务邮箱
简体版
繁体版
无障碍
适老版
网站支持IPv6
首页
政务公开
政务服务
政民互动
今日蓬江
赢在蓬江
工作机构
检索
政府信息公开专栏
基层政务公开标准目录
政府工作报告
区政府常务会议
财政公开
蓬江新闻
公告公示
领导之窗
人事信息
政策法规
统计信息
政务专题
督查工作
热点专题
数据开放
政府采购
政府公报
领导接访
政务服务
公共服务中心
蓬江旅游
蓬江概况
经济快讯
项目申报
政策扶持
您现在的位置:
首页
>
工作机构
>
各镇街
>
环市街道办事处
>
工作动态
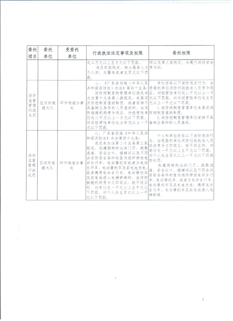
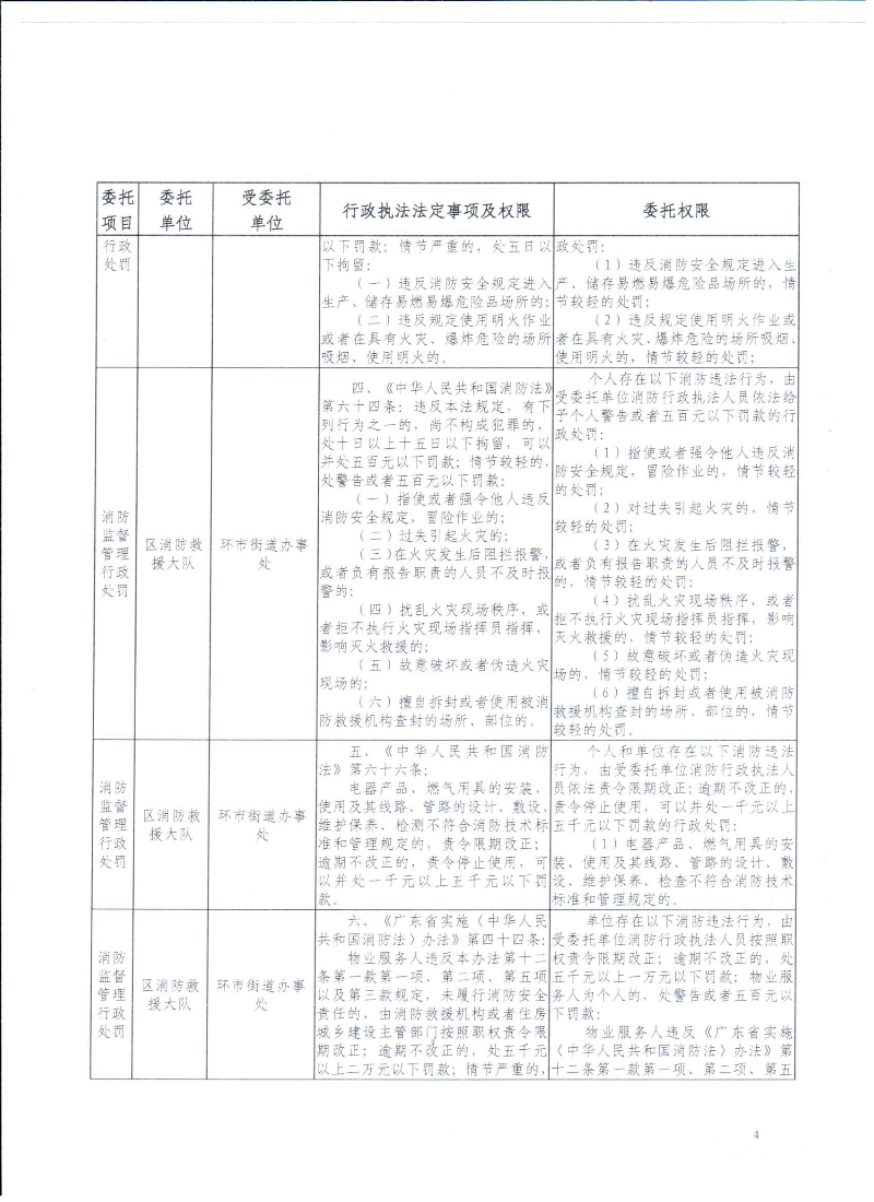
关于消防行政执法委托书的公告
来源:本网
发布时间:2025-09-23
字体:
[大]
[中]
[小]
分享到:
【页面调色:
】
相关附件:
[打印本页]
关闭返回
工作动态